Среда, 19 Август 2015 12:01

Ролик шахтного конвейера

Автор 
Оцените материал
(16 голосов)

Влияние конструкции ролика на его ресурс и себестоимость.

 

В последние годы, начиная с 2005, в угледобывающей промышленности Донбасса наибольшее распространение получил конвейерный ролик изображенный на рис.1, как наиболее простой и экономичный. По данным авторов, доля рынка Донбасса в 2013 году, для роликов такого типа (гирлянды РЛ80, РЛ100 и РЛ120) составила почти 80%.  Ролик не предназначен для ремонта, так как разобрать его без разрушения невозможно. Смазка закладывается один раз, при его сборке и больше не пополняется. Согласно ТУ производителя, гарантированный ресурс ролика, составляет 5 тыс. часов (до 90% износа).

Рис 1. Ролик ГО-127х360-15х9

 

 

 

Рис 1. Ролик ГО-127х360-15х9

Ролик предназначен для гирлянды РЛ 100 (ширина конвейера 100 см). Проведенный патентный поиск, позволяет идентифицировать его, как наиболее соответствующий патенту Украины UA 16088 U. Для удобства будем именовать его «Ролик-1». Основным преимуществом такого ролика является использование цельнотянутых стаканов, что существенно снижает цену изделия.

 

Ролик-1 состоит из:
1.Ось, сталь Ст3, масса 2,4 кг. Изготавливается на токарных полуавтоматах.
2.Лабиринт наружный, полиамид, масса 0,01 кг. Изготавливается литьем под давлением;
3.Лабиринт внутренний, полиамид, масса 0,007 кг. Изготавливается литьем под давлением;
4.Стакан, сталь листовая 08кп (для глубокой вытяжки), масса 0,55 кг. Изготавливается методом глубокой вытяжки за несколько переходов;
5.Подшипник №160206 ГОСТ 8882-75, масса 0,2кг. Изделие стандартное, покупное;
6.Обечайка сталь Ст3, масса 4,3 кг. Отрезается на трубоотрезном или ленточнопильном станках из трубы нужного диаметра;

 

Сборка ролика осуществляется следующим образом:
1.В стакан устанавливается лабиринты наполненные смазкой и запрессовывается подшипник. Стакан подается на сборку без механической обработки и наружное кольцо подшипника фактически устанавливается в коническую поверхность оставшуюся после операции калибровки из-за технологического зазора в штампе;
2.Стакан в собранном виде нанизывается на ось, с одной стороны;
3.На стакан устанавливается обечайка;
4.На другую сторону оси и обечайки нанизывается второй стакан;
5.Предварительно собранная конструкция устанавливается в гидпропресс и собирается за один цикл под действием силы направленной вдоль оси. При этом осуществляюься две оперции одновременно – запрессовка стаканов, а также обжимка обечайки с двух сторон. Сборка может осуществляться как вертикально, так и горизонтально.

 

 

Анализ конструкции показывает что дальнейшее снижение операционных затрат, при производстве ролика такой конструкции, возможно только за счет автоматизации изготовления деталей и сборки. Автоматизировать можно только производство стакана и оси. Сборку автоматизировать невозможно без изменения конструкции подшипникового узла. Это условие сводит на нет смысл осуществлять затраты на автоматизацию производства.
Расчетные нормы времени на изготовление ролика см.табл.1
Рассмотрим другую конструкцию Ролика-2

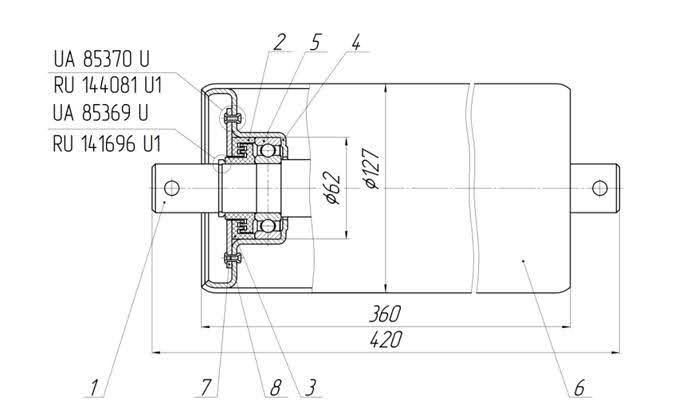
 Рис.2 Ролик ГО-127х360-15х9

 Рис.2 Ролик ГО-127х360-15х9

Обозначение ролика будет аналогичным - ролик ГО-127х360-15х9, но конструкция существенно отличается. Ролик-2 ремонтопригодный. Подшипниковый узел спроектирован в соответствии с общепринятыми нормами и правилами машиностроения. Наружное и внутреннее кольца подшипника установлены на обработанные поверхности и зажаты лабиринтами. Ресурс такого ролика может составлять 10 тыс. часов и более.

 

 

Ролик состоит из:
1.Ось, сталь Ст 45, масса 2,4 кг. Изготавливается на токарных полуавтоматах. Посадочные места под подшипники термообрабатываются и шлифуются.
2.Лабиринт наружный, полиамид, масса 0,015 кг. Изготавливается литьем под давлением;
3.Лабиринт внутренний, полиамид, масса 0,015 кг. Изготавливается литьем под давлением;
4.Стакан, сталь листовая 08кп (для глубокой вытяжки), масса 0,725 кг.
Изготавливается методом глубокой вытяжки за несколько переходов;
5.Подшипник №160206 ГОСТ 8882-75 2шт, масса 0,2кг. Изделие стандартное, покупное;
6.Обечайка сталь Ст3, масса 4,3 кг. Отрезается на трубоотрезном или ленточнопильном станках из трубы нужного диаметра;
7.Крышка подшипника, сталь листовая Ст3, масса 0,145 кг. Изготавливается штамповкой (вырубка, пробивка)
8.Заклепка вытяжная 4х8 - 6 шт.

 

Сборка ролика осуществляется в следующем порядке:
1.Предварительно изготовленные стаканы устанавливаются в заготовку обечайки, соединяются точечной сваркой и вальцуются совместно с обечайкой. Способ вальцовки может быть различным. В собранном виде корпус ролика выглядит так.

Рис.3 Корпус ролика-2

 

Рис.3 Корпус ролика-2

 

Собранная заготовка подвергается механической обработке. Обрабатываются только гнезда подшипников, одновременно с двух сторон;
2.На ось нанизывается подшипник, за ним внутренний лабиринт. Внутренний лабиринт имеет специальные «защелки», которые попадая в проточку на оси, надежно закрепляют подшипник от осевого смещения;
3.Ось с подшипником вставляется в корпус ролика и на свободный конец оси нанизывается 2-й подшипник. Подшипник и лабиринт заполняется густой смазкой и устанавливаются оба наружных лабиринта.
4.Нанизываем на ось крышки и крепим их, с помощью специального инструмента, вытяжными заклепками. При ремонте ролика-2 заклепки высверливаются. Для повышения ресурса возможна установка масленки на крышку.

 

Рис.4 Вариант с установкой масленки на крышке.

 

Рис.4 Вариант с установкой масленки на крышке

 

Табл.1 Сравнительные характеристики роликов по массе и трудоемкости при механизированном производстве

 

 Табл.1 Сравнительные характеристики роликов по массе и трудоемкости при механизированном производстве

 

Как следует из таблицы, Ролик-2 по массе незначительно превышает Ролик-1 всего на 0,681 кг, или на 8,3%. Трудоемкость же превышает в 2,92 раза или 192%. Как это отразиться на конечной цене изделия? Авторы произвели расчеты с использованием экономико-математического компьютерного моделирования для производства мощностью 1 млн. роликов в год. Результаты расчетов представлены в табл.2 в виде превышения стоимостных показателей Ролика-2 над Роликом-1. Это сделано для того, чтобы убрать искажающее влияние курса валют на соотношение затрат, т.к. они изменяются с разной скоростью. Например, затраты на сырье и материалы в условиях роста курса валют, растут быстрее чем заработная плата.
Табл.2

Табл.2

 

В условно-постоянных затратах Ролика-2 учтены капвложения на обеспечение производства корпуса ролика и крышки. При установке масленок отпускная цена составит не более 122%. Таким образом, изменение конструкции ролика позволяет увеличить ресурс в 2 раза при увеличении затрат на расчетные 22%.

 

У конструкции Ролика-2 есть существенное преимущества в том, что возможна автоматизация изготовления не только стаканов и оси, но и сборки всего ролика, что позволит еще больше снизить затраты.

 

 

Выводы и предложения:
Освоение производства конструкции Ролика-2 даст возможность предприятию-производителю занять значительную долю рынка нескольких стран, где происходит добыча угля (Россия, Украина, Казахстан). Сосредоточив производство ролико-комплектов (ось и корпус) на территории предприятия-производителя можно организовать сборку и ремонт на совместных предприятиях в других странах.
Список литературы
UA 16088 U – патент Украины
UA 85370 U– патент Украины
UA 85369 U– патент Украины
RU 144081 U1-патент РФ
RU 141696 U1-патент РФ
Макеевка. Донецк.

 

Авторы
Губарев А.В. – инженер-конструктор. Этот адрес электронной почты защищен от спам-ботов. У вас должен быть включен JavaScript для просмотра.
Стычинская Е.А. – экономист (к.э.н.)

Дополнительная информация

  • Заказчик: Организация
  • Статус: Выполнено
  • Срок сдачи проекта после оплаты аванса: 01.10.2015
  • ЦЕЛЬ ПРОЕКТА: Влияние конструкции ролика на его ресурс и себестоимость
Прочитано 5596 раз Последнее изменение Пятница, 28 Август 2015 08:54
Авторизуйтесь, чтобы получить возможность оставлять комментарии